Home | News & Events  |  About Us  |  Careers  |  Contact Us 
     Custom Motors         Custom Fans         Custom Controllers  
      Custom Components  
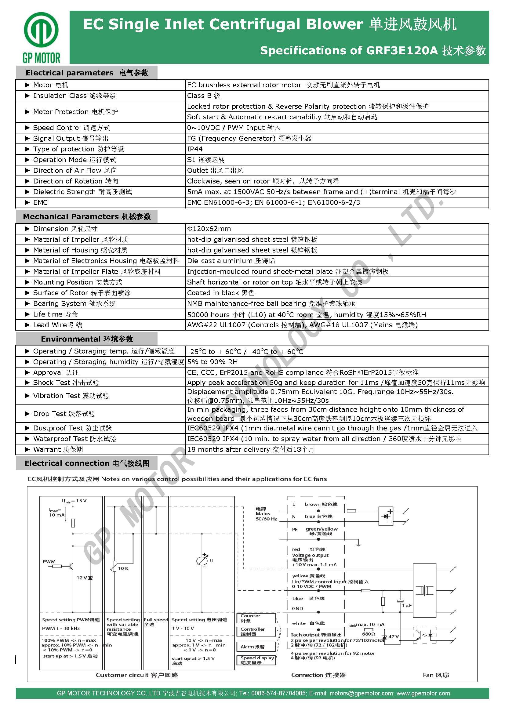
Product Name£º EC 230V Model No£º 120/062

Company     Home   |  News & Events  |   About Us   |   Careers  |   Contact Us
Divisions    Custom Motors  |  Custom Fans   |   Custom Controllers  |  Custom Components